Ignition Control Module Help

Thread Tools
 
Search this Thread
 
Old Nov 28, 2019 | 05:05 PM
  #1  
hemihauler23@yahoo.com's Avatar
Thread Starter
New Member
 
Joined: Nov 2019
Posts: 4
Likes: 0
From: NJ
Ignition Control Module Help

Can anyone point me to the location of the ignition control module on a 1972 Charger with a 318? I see this little thing near the coil, and I see the voltage regulator, but can’t find the ICM... any help?
Reply
Old Nov 28, 2019 | 06:14 PM
  #2  
Archer's Avatar
Mopar Lover
 
Joined: Apr 2010
Posts: 1,889
Likes: 170
From: Long Island, NY
hh23 -



Assuming it's the same as the 73/74:
It's orange thing on the firewall, but if stock, yours will be black with a gold/silver heat sink.
What you're pointing to ain't the voltage regulator, the VR is the silver thing to the right of the ICU, but yours will be black or blue.

Archer

Last edited by Archer; Nov 28, 2019 at 06:17 PM.
Reply
Old Nov 29, 2019 | 03:31 AM
  #3  
hemihauler23@yahoo.com's Avatar
Thread Starter
New Member
 
Joined: Nov 2019
Posts: 4
Likes: 0
From: NJ
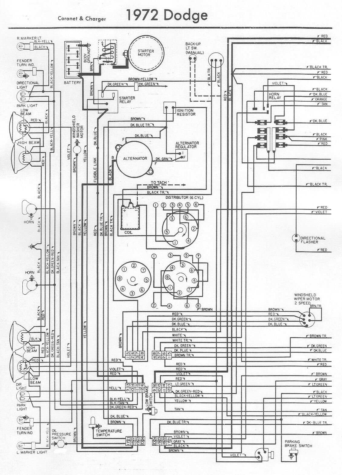
Hey Archer, the only components I have on the firewall is the Voltage regulator and 2-pin resistor.. i don’t think I have one. Found this schematic which kinda confirms it...

I have a no spark condition, and no power out of the coil.. tried a new resistor as well. Wondering if I should order a regulator..

starter is cranking just fine.

Reply
Old Nov 29, 2019 | 06:37 AM
  #4  
Archer's Avatar
Mopar Lover
 
Joined: Apr 2010
Posts: 1,889
Likes: 170
From: Long Island, NY
hh -

Sounds like you have a points ignition, which doesn't make sense on a 72.
Is everything stock, or was it modified?

Check for loose wires, and replace the resistor first (it's cheaper), then the VR, (not too expensive either).

Ultimately, switching to an electronic ignition wouldn't be a bad idea.

Archer

Last edited by Archer; Dec 7, 2019 at 06:26 PM.
Reply
Old Dec 7, 2019 | 06:38 AM
  #5  
hemihauler23@yahoo.com's Avatar
Thread Starter
New Member
 
Joined: Nov 2019
Posts: 4
Likes: 0
From: NJ
Positive 10 volts

Hey Archer,

replaced the regulator. Still no start. Have +10 volts at the coil “+” and 40 ohms from “-“ to chassis ground.. took lead of center of coil with no visible arc to chassis..

“-“ side of coil appears to go back to distributor? not a chassis ground?

any idea’s ?
Reply
Old Dec 7, 2019 | 07:39 AM
  #6  
RacerHog's Avatar
Mopar Lover
 
Joined: Jun 2013
Posts: 11,097
Likes: 955
From: Monrovia SO-CAL (USA)
Replace the points and condenser.
Reply
Old Dec 7, 2019 | 06:26 PM
  #7  
Archer's Avatar
Mopar Lover
 
Joined: Apr 2010
Posts: 1,889
Likes: 170
From: Long Island, NY
Bob -

Shouldn't the 72's been electronic from the factory???

HH -

I'd just pick up an electronic conversion kit and be done with it.
https://www.manciniracing.com/ma27331834033.html

or

https://www.manciniracing.com/maraigspsmbl1.html

Archer
Reply
Old Dec 8, 2019 | 06:15 AM
  #8  
RacerHog's Avatar
Mopar Lover
 
Joined: Jun 2013
Posts: 11,097
Likes: 955
From: Monrovia SO-CAL (USA)
this leads me to think that it is a points car....
“-“ side of coil appears to go back to distributor? not a chassis ground
Reply
Old Dec 8, 2019 | 12:35 PM
  #9  
Iowan's Avatar
Super Moderator
 
Joined: Mar 2015
Posts: 5,484
Likes: 553
The first 440 I called out of a yard had points.....so I'm not thinking all 72s had electronic Ignition.
Reply
Old Dec 9, 2019 | 10:12 AM
  #10  
Skwerly's Avatar
Mopar Lover
 
Joined: Jan 2010
Posts: 1,296
Likes: 118
yeah, this is sounding like points. condenser is shot and who knows what condition and position the points are in.
Reply
Old Dec 9, 2019 | 02:51 PM
  #11  
hemihauler23@yahoo.com's Avatar
Thread Starter
New Member
 
Joined: Nov 2019
Posts: 4
Likes: 0
From: NJ
Thanks all

Thanks everyone. I’m gonna change it over to the electronic kit.. seems easy enough.
Reply
Old Dec 9, 2019 | 03:07 PM
  #12  
Archer's Avatar
Mopar Lover
 
Joined: Apr 2010
Posts: 1,889
Likes: 170
From: Long Island, NY
HH -

Good move.

Archer
Reply
Related Topics
Thread
Thread Starter
Forum
Replies
Last Post
emcbron
General Discussion
14
Jul 9, 2018 09:42 PM
olibass1
Interior/Exterior Electrical
28
Feb 1, 2013 10:20 AM
67r/t
General Discussion
5
Nov 24, 2010 08:54 AM
stazja01
General Technical Questions
3
Nov 17, 2008 04:24 AM
skymynx
B-Body
18
Oct 28, 2008 09:54 AM




All times are GMT -7. The time now is 10:24 PM.